| WH35-1-3525 Weld on Hubs - Taper Bore (WH Type) Weld on hubs are manufactured from high quality steel, they are drilled, tapped and taper bored to receive a MEDWAY® Taper Bush. The outer diameter is machined with a shoulder that provides a location point when welding to fan rotors, steel pulleys, plate wheels and various other components |

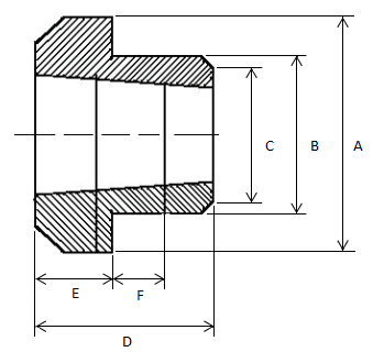
| Attribute | Value |
|---|---|
| E | 25.00 |
| Hub Type | Weld On |
| Boss Dia (B) | 180.00 |
| Overall Length/Height (D) | 65.00 |
| Outside Dia (A) | 190.00 |
| Bush Type | 3525 |
| C | 179.50 |
| F | 25.00 |
Disclaimer: Should a manufacturer of a given part not be available then a direct equivalent from an alternative manufacturer will be supplied.