Facebook Twitter Pinterest

Product facts, help and info

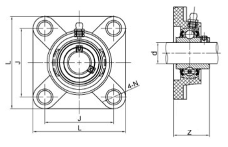
TP-SUCF207-20 1-1/4inch Thermoplastic 4 Bolt Flange Bearing (White)

Weight (Kg) :0.00

TP-SUCF207-20 1-1/4inch Thermoplastic 4 Bolt Flange Bearing (White)

Suitable for pharmaceutical applications.

  • Corrosion resistant
  • TP-SUCF207-20 1-1/4inch Thermoplastic 4 Bolt Flange Bearing (White)

    Attribute Value
    Bolt Hole Centre 92
    Length/Width 118
    Shaft Dia 1-1/4
    Overall Height 46.9
    Bolt Hole Size M12
    Qty

    £60.81

    Lead time is 5-7 days

    Disclaimer: Should a manufacturer of a given part not be available then a direct equivalent from an alternative manufacturer will be supplied.

    Product added to your Shopping Basket