Facebook Twitter Pinterest

Product facts, help and info

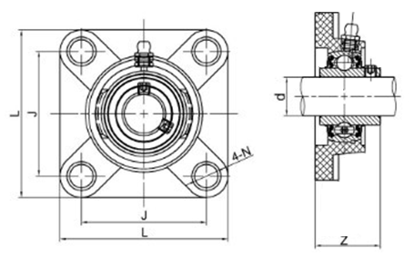
TP-SUCF205-18 1-1/8inch Thermoplastic 4 Bolt Flange Bearing (Green)

Weight (Kg) :0.00

TP-SUCF205-18 1-1/8inch Thermoplastic 4 Bolt Flange Bearing (Green)

Suitable for food applications.

  • Corrosion resistant
  • TP-SUCF205-18 1-1/8inch Thermoplastic 4 Bolt Flange Bearing (Green)

    Attribute Value
    Bolt Hole Centre 83
    Length/Width 107
    Shaft Dia 1-1/8
    Overall Height 41.4
    Bolt Hole Size M10
    Qty

    £36.22

    Lead time is 5-7 days

    Disclaimer: Should a manufacturer of a given part not be available then a direct equivalent from an alternative manufacturer will be supplied.

    Product added to your Shopping Basket