| TEC Electric Motor 2HP Foot & Flange Mount 1500rpm Our capacitor start/capacitor run single phase electric motors are suitable for industrial equipment, as well as domestic applications with a single phase 220/240V supply. They are able to cope with applications that are too demanding for other types of single phase motors. These motors are suitable for use in agricultural industry and can be used in high pressure washers, conveyers, vacuum pumps, as well as refrigeration equipment which demand higher starting torque. The main advantages of these single phase motors: Key points: N.B. it is highly recommended that single phase motors are not stop/started more than 15 times within a 1 hour period. This is to allow for the safe discharge of capacitors. |

| Attribute | Value |
|---|---|
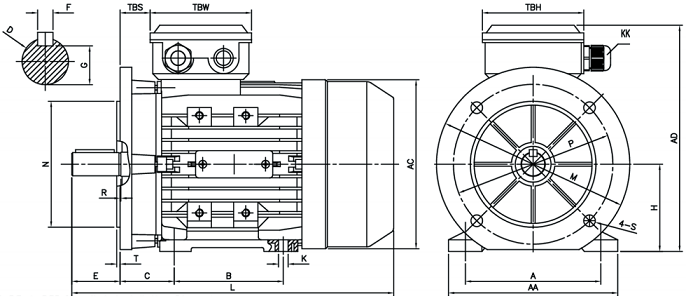
| Shaft Size | 24 |
| Pole | 4 |
| Brand | TEC |
| Frame Size | 90L |
| Mounting | B35 Foot & Flange |
| Speed | 1500rpm |
| HP | 2.0 |
| KW | 1.5 |
Disclaimer: Should a manufacturer of a given part not be available then a direct equivalent from an alternative manufacturer will be supplied.