| TEC Electric Motor 0.50HP Foot & Flange Mount 1500rpm Single phase AC permanent capacitor IEC standard electric motors are suitable for industrial equipment and domestic applications with a single phase 220/240V supply. Bear in mind that they should never be used in hard to start applications e.g. woodworking machinery, vacuumed pumps, air compressors and high pressure water pumps; instead, it is best that you use capacitor start/capacitor run single phase motors. However, these permanent capacitor motors are ideal for fans, blowers (with low starting torque needs), and intermittent cycling uses e.g. adjusting mechanisms, gate operators and garage door openers, many of which need instant reversing. The main advantages of these single phase motors: Key points: |

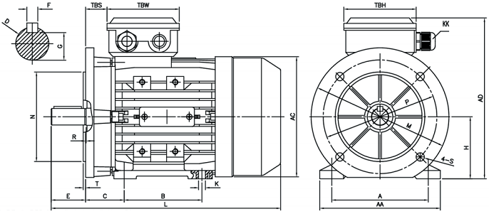
| Attribute | Value |
|---|---|
| Frame Size | 71 |
| Pole | 4 |
| Shaft Size | 14 |
| Brand | TEC |
| Mounting | B35 Foot & Flange |
| Speed | 1500rpm |
| HP | 0.50 |
| KW | 0.37 |
Disclaimer: Should a manufacturer of a given part not be available then a direct equivalent from an alternative manufacturer will be supplied.