| SYJ70TF 70mm Bore Y-bearing Plummer Block - Cast Housing & Grub Screws Y-bearing plummer block units with grey cast iron housing can be relubricated through a grease fitting in the housing. This makes them especically suitable for bearing arrangements that operate under any of the following conditions: The SY series has two oblong holes for the attachment bolts in the base of the housing. |

| Attribute | Value |
|---|---|
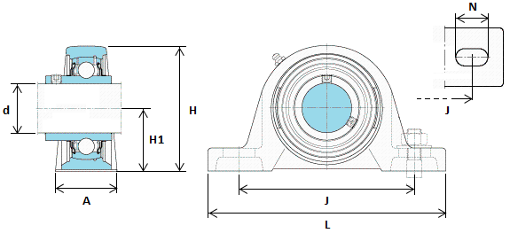
| Shaft Centre Height (H1) | 79.4 |
| Limiting Speed | 2800r/min |
| Overall Height (H) | 156 |
| Housing Width (A) | 72 |
| Housing Length (L) | 266 |
| Bolt Hole Centres (J) | 210 |
| Bore Size (d) | 70 |
| Bolt Hole Dia (N) | 30 |
Disclaimer: Should a manufacturer of a given part not be available then a direct equivalent from an alternative manufacturer will be supplied.